全国统一服务电话:

13636672518

型号查询 X

全部类型

产品中心Products Center

SKF轴承,NSK轴承,NTN轴承,FAG轴承,EZO轴承,NMB轴承,TIMKEN轴承,ZWZ轴承,LYC轴承,HRB轴承

您的位置:首页 > 产品中心
 品牌筛选

FAG轴承 SX011836

产品名称: FAG轴承 SX011836
类型:交叉滚子轴承 品牌:FAG轴承
型号:SX011836 厚度(mm):
内径d: 外径D:

上海海久轴承有限公司 咨询热线:13636672518

详细信息

FAG轴承 SX011836 详细参数

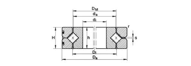
尺寸mm
  • D M 202
  • d 1 K6180+0,004  -0,021
  • D a h6225-0.029
  • H 2) 22±0.13
  • h 2) E822-0.025
  • d a 201.2
  • D I 202.8
  • r min1.1
  • S 3) 2
运转精度
  • 径向0.015
  • 轴向0.010
正常游隙
  • 径向游隙 min0.00
  • 径向游隙 max0.025
  • 轴向倾斜游隙 min0.010
  • 轴向倾斜游隙 max0.05
小游隙RLO
  • 径向 游隙 max0.005
  • 预载 max0.010
预载VSP
  • min0.005
  • max0.025
基本额定载荷 轴向
  • 动载荷 C a N96
  • 静载荷 C oa N380
基本额定载荷 径向 4)
  • 动载荷 C r N69
  • 静载荷 C or N153
极限转速
  • 带普通游隙 n G 油 min –1 755
  • 带普通游隙 n G 脂 min –1 375
  • 带预载 n G 脂 min –1 375
  • 带预载 n G 油 min –1 185
型号
  • 型号SX011836
位置 1)
  • 位置 1)
质量m ≈kg
  • 质量m ≈kg2.3
与 ISO18 尺寸系列相 同的尺寸
  • 与 ISO18 尺寸系列相 同的尺寸61836

上海海久轴承有限公司专业销售: FAG轴承 SX011836, SX011836 交叉滚子轴承产品相关信息有: 型号:SX011836 , 内径:mm ,  外径:mm ,  厚度:mm ,  品牌:FAG轴承,  类型:交叉滚子轴承, 需要更多的了解 FAG轴承 SX011836 交叉滚子轴承的相关信息,可以进行在线咨询或者拨打热线电话 ,我们会详细为您服务。
FAG轴承 SX011836 交叉滚子轴承使用范围很广, FAG轴承 SX011836 交叉滚子轴承主要应用于传输装置、工程机械、振动筛、机床、汽 车、冶金、矿山、石油、机械、电力、电机、风机、铁路等行业,本公司销售的 FAG轴承 SX011836 交叉滚子轴承价格合理,保证质量,全方面的服务,尽一切满足客户的需求。
联系方式 / CONTACT US

地址:

江苏 苏州市 中华园西路 1886号

手机:

13636672518

Q Q:

3027602224

电话:

013636672518

邮箱:

3027602224@qq.com