详细信息
ZWZ轴承 GX80C 详细参数
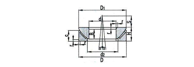
| 基本尺寸 mm |
|
|---|
| 倾斜角度 |
|
|---|
| 径向额定载荷 KN |
|
|---|
| 重量 Kg |
|
|---|
| 轴承代号 |
|
|---|
上海海久轴承有限公司专业销售: ZWZ轴承 GX80C, GX80C 自润滑关节轴承产品相关信息有: 型号:GX80C , 内径:80mm , 外径:180mm , 厚度:43.5mm , 品牌:ZWZ轴承, 类型:自润滑关节轴承, 需要更多的了解 ZWZ轴承 GX80C 自润滑关节轴承的相关信息,可以进行在线咨询或者拨打热线电话 ,我们会详细为您服务。
ZWZ轴承 GX80C 自润滑关节轴承使用范围很广, ZWZ轴承 GX80C 自润滑关节轴承主要应用于传输装置、工程机械、振动筛、机床、汽 车、冶金、矿山、石油、机械、电力、电机、风机、铁路等行业,本公司销售的 ZWZ轴承 GX80C 自润滑关节轴承价格合理,保证质量,全方面的服务,尽一切满足客户的需求。




关注公众号,随时查轴承